Skip to main content Skip to footer

DOUBLE TUBE CLAMPS

Image of Double Tube Clamp Image of Draw-Double Tube Clamp

Organizes tubes and wires throughout your TSLOTS design, Attaches easily to T-Slot, Mounts 1/8" through 1" O.D. tubing and wires, Oil, chemical and acid resistant, Stackable design

SELECT PRODUCT VARIATION BELOW TO ADD TO RFQ

Product Variations

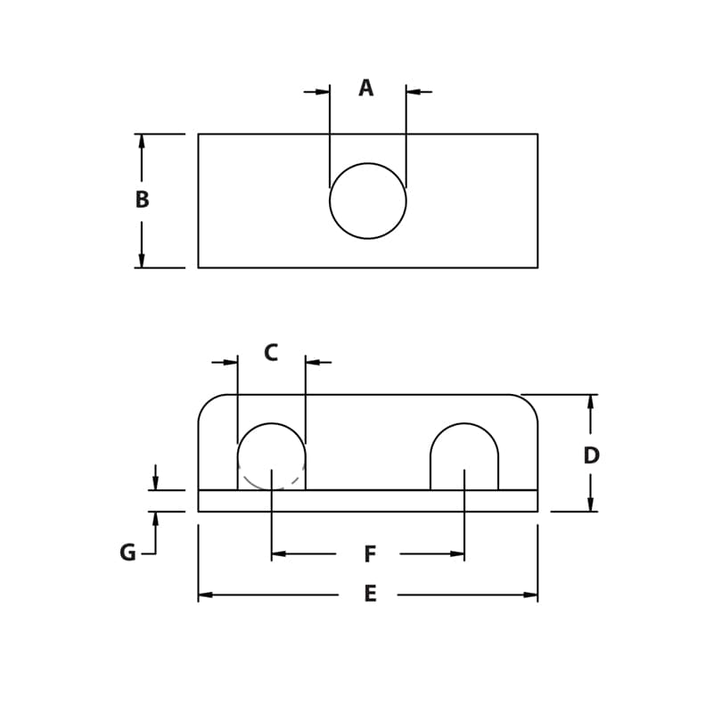
Item # Series Wire Size A B C D E F G List Price Qty. Add to RFQ
655337

40
1/8"
.281"
.500"
.125"
.438"
1.250"
.688"
.063"
1.123
655338

40
1/4"
.281"
.500"
.250"
.438"
1.250"
.688"
.063"
1.123
655339

40
3/8"
.281"
.625"
.375"
.563"
1.563"
.875"
.063"
1.668
655340

40
1/2"
.281"
.813"
.500"
.875"
2.125"
1.188"
.063"
2.239
655341

40
3/4"
.281"
.813"
.750"
1.188"
2.813"
1.500"
.063"
2.903
655342

40
1"
.281"
.813"
1.000"
1.188"
2.813"
1.500"
.063"
3.870